Michael, Nice find on the noise. You can use a slide to pull the gimble bearing but, I prefer and have had more success with a puller. You can buy a bar and threaded rod type from Merc or Pro Marine.
http://www.promarineusa.com . I have had the flat bar merc for years but often need to support it with pry bars. The new style uses a piece of box tubing and is offered as a kit instead of pieces. I suggest that one. You will also need the drivers to install the bearing and bellows sleeve.
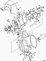
Pretty easy job. Just be patient and have a stool to sit at the right height. The bearing gets changed while the bellhousing is still in place. Either before or after bellows job.
The bellows part is best done by removing the shift cable although it is not nec. Might as well change the shift bellows too. The water hose that connects the bell housing to the inside is something I suggest you change whether it needs it on not. Mostly because of the potential problem of salt pinching it and restricting flow. You will be right there and it will never be easier. There is a special tool for the retainer you will need..The point of the hose change is to clean the salt out of the housings around the outside diameter or the hose. Clean and repaint surfaces.
Back to bellows. Note clamp locations. Clean glued side with emery and solvent. The shift cable bellows fwd surface needs cleaning too. Clean aft side and repaint as needed. Install fwd first with top as marked on bellows. Use bellows adhesive or super weather strip adhesive as directed and clamp { fwd side only}. Secure not do not over tighten either bellows clamp. Especially the shift one. It will try to walk off. Both have a distinct slot to position clamps. I suggest a long @18" 1/4 long extension with swivel.
Install the bellhousing. The second groove in from the end of the bellows rides on the protruding ring of the seal surface. install dry. Use driver to install sleeve also dry. It says a drop of soap , I use spit if nec. Complete shift cable and water hose assembly.
I always find the clean and prep time matches the actual work time. Take the time to get all the salt off. If bearing got wet cross bearings should be changed too. Clean and grease yoke at seal surface.
Best of luck. I would by a merc service manual. If I were you. It may not be needed now but, it is worth every penny.